今回は各回路の主要部品を決めていくことにします。
今回の基板では大まかにEthernet通信回路部とPoE電源回路部の2つのブロックに分けられます。

ArduinoのEthernetライブラリでサポートされている「W5500」(メーカー:Wiznet)というEthernet通信ICを使用することにします。
W5500はArduinoのEthernetシールドなどに使用されており、Arduinoでは比較的よく使われている定番ICと言えます。
●EEPROM(MACアドレス取得用)
また、ローカルネットワークだけでなくインターネット上にも接続する可能性を考えて、予めMACアドレスが書き込まれたEEPROM「24AA02E48」(メーカー:microchip)も実装することにします。
●PoE電源制御IC
PoE電源の制御を行う電源制御ICは「TPS23754」(メーカー:TI)というICを使用することにします。
「TPS23754」はPoE制御だけでなく、スイッチング電源のコントローラ機能も持っているため、ワンチップで上記の「PoE受電機器としての制御」と「絶縁型スイッチング電源」を実現できます。
PoE電源回路に関しては、TPS23754の評価ボード(TPS23754EVM-383 )を参考にします。
●スイッチングトランス
絶縁型スイッチング電源なのでトランスが必要になるわけですが、PoE用スイッチング電源に最適化されたトランスがあるため、これを使用します。(ただ、どれもあまり入手性は良くないです。。)
今回は5V出力の電源にしたいので、「750310744」(メーカー:Würth Elektronik)というトランス にしました。
※Digikeyで調べる場合は下記の条件で検索すると、PoE用のトランスがいくつか見つかります。
・製品種別 : スイッチングコンバータ、SMPSトランス
・用途 : パワーオーバーイーサネット (PoE)
●Nch MOSFET(電源スイッチング用)
スイッチング部は入力電圧+フライバック電圧(+サージ電圧)で100V近い電圧が発生するので、スイッチングMOSFETおよび周辺部品は150V程度の電圧定格が必要になります。
・入力電圧 = 37〜57V (PoE給電側機器からの供給電圧)
・スイッチングトランスの仕様より、Np:Ns = 5:1 (Np:一次側の巻数、Ns:二次側の巻数)
・フライバック電圧 = (Np/Ns)×出力電圧 = (5/1)× 5V = 25Vくらい
上記より、入力電圧+フライバック電圧 ≒ 62〜82V
サージ電圧も考慮すると最大で100Vを超えるかもしれませんので、150Vくらいの定格電圧の部品を選ぶ必要があるということになります
電源スイッチング用のMOSFETにはTPS23754評価ボードでも使用されている「SI4848DY」(メーカー:VISHAY)を使用します。
[最大定格] ・Vds = 150V
・Vgs = ±20V
・Id = 2.1A
(5W程度の電源回路では「SI4848DY」は定格電流値がややオーバースペックかもしれません。特にオーバースペックで困ることはありませんが、とことん小型化を狙うのであればもう少し小さい定格&小型パッケージのMOSFETにしても良いかもしれません)
●Pch MOSFET(スナバ回路用)
TPS23754には電源スイッチング用MOSFET制御の他に、アクティブクランプ回路の制御もできるようにになっています。
アクティブクランプ回路についての詳細は割愛しますが、ざっくり言うと「通常のRCスナバに比べて低損失でサージやノイズが抑えられるスナバ回路」という感じでしょうか。
この回路で使用するMOSFETには「SI2325DS-T1-E3」(メーカー:VISHAY)を使用します。
[最大定格] ・Vds = -150V
・Vgs = ±20V
・Id = -0.43A
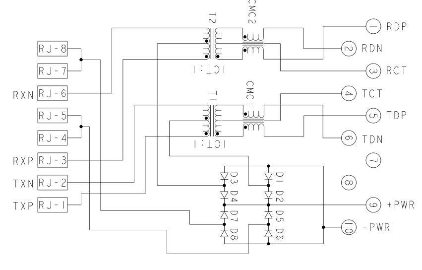
(PoEに対応していないRJ45コネクタでは、PoEに対応した配線及び端子がないため、電源を取り出すことができません)
今回は「1-2250024-1」(メーカー:TRP Connector B.V.)というRJ45コネクタを使用することにします。
このRJ45コネクタはパルストランス内蔵に加えて、PoE電源用のダイオードブリッジも内蔵しているため、外付けダイオード(※)が不要になります。

※ PoE給電側機器から給電される電圧は直流ですが、給電側機器の仕様や使用するLANケーブル(ストレートケーブル、クロスケーブルの違い)などによって、給電される電圧の極性が逆になってしまうことが考えられるため、受電側機器のPoE電源入力部には整流用のダイオードブリッジが必要になります。
主要部品をまとめると下記のようになります。
次 >
前 > (1)導入編
今回の基板では大まかにEthernet通信回路部とPoE電源回路部の2つのブロックに分けられます。

Ethernet通信回路
●EthernetコントローラArduinoのEthernetライブラリでサポートされている「W5500」(メーカー:Wiznet)というEthernet通信ICを使用することにします。
W5500はArduinoのEthernetシールドなどに使用されており、Arduinoでは比較的よく使われている定番ICと言えます。
●EEPROM(MACアドレス取得用)
また、ローカルネットワークだけでなくインターネット上にも接続する可能性を考えて、予めMACアドレスが書き込まれたEEPROM「24AA02E48」(メーカー:microchip)も実装することにします。
PoE電源回路
PoE電源回路は、「PoE受電機器としての制御」+「絶縁型スイッチング電源」という回路構成になります。●PoE電源制御IC
PoE電源の制御を行う電源制御ICは「TPS23754」(メーカー:TI)というICを使用することにします。
「TPS23754」はPoE制御だけでなく、スイッチング電源のコントローラ機能も持っているため、ワンチップで上記の「PoE受電機器としての制御」と「絶縁型スイッチング電源」を実現できます。
PoE電源回路に関しては、TPS23754の評価ボード(TPS23754EVM-383 )を参考にします。
●スイッチングトランス
絶縁型スイッチング電源なのでトランスが必要になるわけですが、PoE用スイッチング電源に最適化されたトランスがあるため、これを使用します。(ただ、どれもあまり入手性は良くないです。。)
今回は5V出力の電源にしたいので、「750310744」(メーカー:Würth Elektronik)というトランス にしました。
※Digikeyで調べる場合は下記の条件で検索すると、PoE用のトランスがいくつか見つかります。
・製品種別 : スイッチングコンバータ、SMPSトランス
・用途 : パワーオーバーイーサネット (PoE)
●Nch MOSFET(電源スイッチング用)
スイッチング部は入力電圧+フライバック電圧(+サージ電圧)で100V近い電圧が発生するので、スイッチングMOSFETおよび周辺部品は150V程度の電圧定格が必要になります。
・入力電圧 = 37〜57V (PoE給電側機器からの供給電圧)
・スイッチングトランスの仕様より、Np:Ns = 5:1 (Np:一次側の巻数、Ns:二次側の巻数)
・フライバック電圧 = (Np/Ns)×出力電圧 = (5/1)× 5V = 25Vくらい
上記より、入力電圧+フライバック電圧 ≒ 62〜82V
サージ電圧も考慮すると最大で100Vを超えるかもしれませんので、150Vくらいの定格電圧の部品を選ぶ必要があるということになります
電源スイッチング用のMOSFETにはTPS23754評価ボードでも使用されている「SI4848DY」(メーカー:VISHAY)を使用します。
[最大定格] ・Vds = 150V
・Vgs = ±20V
・Id = 2.1A
(5W程度の電源回路では「SI4848DY」は定格電流値がややオーバースペックかもしれません。特にオーバースペックで困ることはありませんが、とことん小型化を狙うのであればもう少し小さい定格&小型パッケージのMOSFETにしても良いかもしれません)
●Pch MOSFET(スナバ回路用)
TPS23754には電源スイッチング用MOSFET制御の他に、アクティブクランプ回路の制御もできるようにになっています。
アクティブクランプ回路についての詳細は割愛しますが、ざっくり言うと「通常のRCスナバに比べて低損失でサージやノイズが抑えられるスナバ回路」という感じでしょうか。
この回路で使用するMOSFETには「SI2325DS-T1-E3」(メーカー:VISHAY)を使用します。
[最大定格] ・Vds = -150V
・Vgs = ±20V
・Id = -0.43A
RJ45コネクタ(Ethernetコネクタ)
PoEを使用する場合、PoEに対応したRJ45コネクタを使用する必要があります。(PoEに対応していないRJ45コネクタでは、PoEに対応した配線及び端子がないため、電源を取り出すことができません)
今回は「1-2250024-1」(メーカー:TRP Connector B.V.)というRJ45コネクタを使用することにします。
このRJ45コネクタはパルストランス内蔵に加えて、PoE電源用のダイオードブリッジも内蔵しているため、外付けダイオード(※)が不要になります。

※ PoE給電側機器から給電される電圧は直流ですが、給電側機器の仕様や使用するLANケーブル(ストレートケーブル、クロスケーブルの違い)などによって、給電される電圧の極性が逆になってしまうことが考えられるため、受電側機器のPoE電源入力部には整流用のダイオードブリッジが必要になります。
主要部品
今回の基板は回路規模は大きくないので、主要部品もそれほど多くありませんが主要部品をまとめると下記のようになります。
- Ethernetコントローラ : W5500(メーカー:Wiznet)
- EEPROM(MACアドレス取得用) : 24AA02E48(メーカー:microchip)
- PoE電源制御IC : TPS23754(メーカー:TI)
- スイッチングトランス : 750310744(メーカー:Würth Elektronik)
- 電源スイッチング用MOSFET : SI4848DY-T1-GE3(メーカー:VISHAY)
- スナバ回路用MOSFET : SI2325DS-T1-E3(メーカー:VISHAY)
- RJ45コネクタ : 1-2250024-1(メーカー:TRP Connector B.V.)
次 >
前 > (1)導入編