仕様がまとまったので、今回からKiCadを使用して回路図を書いていきます。
KiCadプロジェクトの作成
- まずは、今回のArduino互換基板用のプロジェクトを新規作成します。
- KiCadプロジェクトマネージャの画面で、メニューバーの[ファイル] > [新規プロジェクト] > [新規プロジェクト]を選択
- 作成するプロジェクトファイル名を入力して、任意のフォルダへ保存

今回のKiCadプロジェクト名 : arduino_board
保存場所は「C:Users¥user¥Documents」内に「arduino_board」というフォルダを作成して、このフォルダに今回の各種KiCadのデータを保存することにします。
回路図エディタの起動
プロジェクトマネージャの画面で- 回路図エディタ「Eeschema」のアイコンをクリック
- 回路図ファイル(拡張子.sch)をダブルクリック
使用ライブラリ・コンポーネント
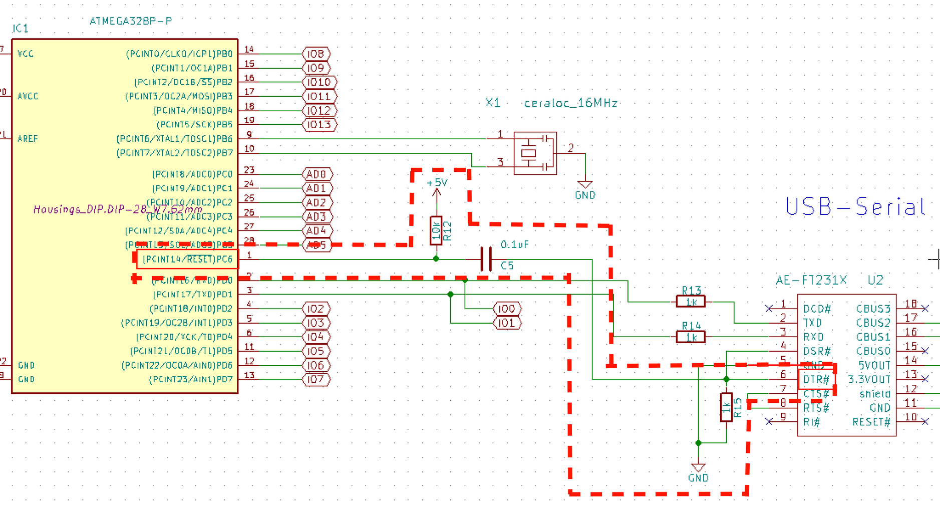
CPU : 「atmel」ライブラリの「ATMEGA328P-P」
バッファ : 「74xx」ライブラリの「74HCT541_PWR」
コンデンサ : 「device」ライブラリの「C」
抵抗 : 「device」ライブラリの「R」
LED : 「device」ライブラリの「LED」、「Led_Small」
コネクタ : 「conn」ライブラリの「CONN_01X10」、「CONN_01X04」
USBシリアル変換モジュール : 自作
セラロック : 自作
今回は、セラロックとUSBシリアル変換モジュールの回路コンポーネントはなかったので自作しました。
その他の部品はデフォルトで用意されているコンポーネントを使用しました。
回路図
考えた仕様をもとに、回路図は下図のように書きました。
自動リセット回路
本家Arduino Unoと同様に、シリアル通信の制御線(DTR)を使用してスケッチ書き込み時に自動でリセットがかかるようにしてあります。
スケッチ書き込み時にリセットしないと書き込みに失敗するようです。
電源フラグコンポーネント
回路図上の「Power Flag」の箇所は、「5V」と「GND」は電源である事を明示しています。「PWR_FLAG」は実際の部品ではなく、電源である事を明示するコンポーネントです。
この明示がないとERC時に下記のようなエラーが表示されます。

このエラーは無視しても特に問題ないのですが、「PWR_FLAG」というコンポーネントを
5VとGNDに接続する事で、「5V」と「GND」が電源ラインである事を明示します。
ERC(エレクトリカルルールチェック)
回路図ができましたので、回路図上でミスがないかERCを実行します。
- 上側のツールアイコンで「エレクトリカルルールチェックの実行」アイコンをクリック
- ERCの画面で「実行」ボタンをクリックでERCが実行されます
- エラー一覧にエラーが表示されなければOKです
実行結果

特にエラーはなかったのでOKとなります。
次 > フットプリントの作成
前 > 部品選定
