今回は作成した回路図について少々解説したいと思います。
今回作成した回路図です。

自分の場合は、回路の機能ブロックごとに回路図をまとめてしまうことが多いです。
今回も下記のようなブロックに分けて作成しました。

保護回路として、下記のものを入れています。
今回使用しているレギュレータ「LT1963A」は内部に保護回路が入っているため、実際は3番目の保護ダイオードは必要ないかもしれません。特にあっても都合が悪いわけではないと思いますので、なんとなく手癖的に入れてしまっています。
入力及び出力のコンデンサ容量は割と当てずっぽうです。
ESP-WROOM-32は結構消費電流が大きいと聞きますし、WiFiをオンにした時などの突入電流も結構大きいようですので、出力側もそこそこ大きめの容量(100uF)にしました。
あまり容量を大きくしすぎても、電源オン時のコンデンサへの突入も大きくなってしまうので難しいところです。
電源回路としては、下記のような負荷を想定して作りました。

必要な回路として下記のものを入れています。
・リセット回路について
データシートにはリセット時間に関する記載がなかったので、定数はデータシートの参考回路そのままの値にしました。そもそもENピンはリセットに相当する動作をするのかがいまいちよく分かっていません。(リセット動作なのか?それとも、ただ単に動作イネーブル/ディゼーブルなのか?)
果たしてリセットピンなのか怪しいところですが、ひとまずリセットピンだと想定しています。
・リセットスイッチ
上記リセット回路のENピンを強制的にLレベルにするスイッチです。
動作モードを切り替える際に必要となります。
・モード切り替えスイッチ
起動時にIO0の状態によって動作モードが変化しますので、スライドスイッチで状態を切り替えられるようにしています。
・自動リセット回路
作った後で気づいたのですが、実際は必要なかったようです。
Arduino互換機の場合はこの回路がないと書き込みが失敗してしまうので今回も入れてみたのですが 、
ESP-WROOM-32の場合はモード切り替えSWによって動作モードを切り替えるので、Arduinoのように書き込み時にリセットをかける必要はないようです。
動作としてはシリアルのDTRピンを利用しており、書き込み時にDTRピンがLレベルになり、ENピンが一瞬Lレベルになるようになっています。
(5/20追記:トンチンカン回路なので無視してください。。)

USB-シリアル変換IC「FT231X」と周辺回路及びUSBコネクタで構成されています。
基本は電源コネクタからの5V入力で内部回路を動作させますが、「FT231X」はUSBホストからの5V供給で 動作するようにしています。
これによって電源回路の5V電源がオフの状態でも、USBホストと「FT231X」間は接続が維持できるようになります。(それほどメリットはないかもしれませんが。。)
また、ジャンパすることでUSBからの5Vを電源として使用できるようにもしています。
電源回路と同様に、ポリスイッチと保護ダイオードの保護回路を設けています。
インジケータとしてLEDをつけています。

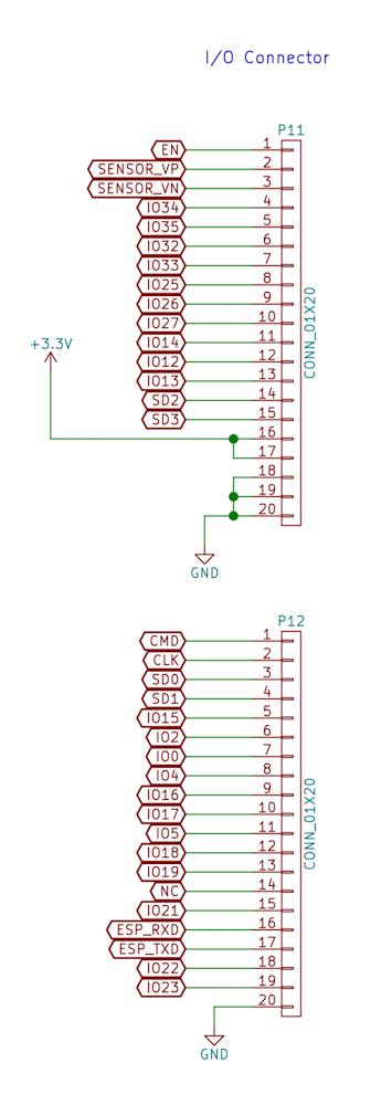
ESP-WROOM-32のI/Oを引き出すためのコネクタです。
1列20ピンのピンヘッダまたはピンソケットを2個使用します。
次 > 回路図の解説その2
前 > 回路図作成
今回作成した回路図です。

自分の場合は、回路の機能ブロックごとに回路図をまとめてしまうことが多いです。
今回も下記のようなブロックに分けて作成しました。
- 電源回路
- ESP-WROOM-32と周辺回路
- USB-シリアル変換回路
- I/Oコネクタ
電源回路

保護回路として、下記のものを入れています。
- ポリスイッチ(過電流保護、F2)
- 電源保護ダイオード(電源の逆接続保護、D2)
- レギュレータの保護ダイオード(出力→入力への逆流保護、D4)
今回使用しているレギュレータ「LT1963A」は内部に保護回路が入っているため、実際は3番目の保護ダイオードは必要ないかもしれません。特にあっても都合が悪いわけではないと思いますので、なんとなく手癖的に入れてしまっています。
入力及び出力のコンデンサ容量は割と当てずっぽうです。
ESP-WROOM-32は結構消費電流が大きいと聞きますし、WiFiをオンにした時などの突入電流も結構大きいようですので、出力側もそこそこ大きめの容量(100uF)にしました。
あまり容量を大きくしすぎても、電源オン時のコンデンサへの突入も大きくなってしまうので難しいところです。
電源回路としては、下記のような負荷を想定して作りました。
- 入力 : DC5V、平均入力電流0.5A以下
- 出力 : DC3.3V、平均出力電流0.75A以下
ESP-WROOM-32周辺回路

必要な回路として下記のものを入れています。
- リセット回路(RCの簡易リセット回路)
- リセットスイッチ(SW1)
- モード切り替えスイッチ (SW2)
書き込み時の自動リセット回路(5/20追記:書き込み時のDTR信号動作がArduinoと同じだと勘違いしていた為、すごいトンチンカンな回路になっていました。。。この回路は無視してお読みください。自分の知識不足で失礼しました。)
・リセット回路について
データシートにはリセット時間に関する記載がなかったので、定数はデータシートの参考回路そのままの値にしました。そもそもENピンはリセットに相当する動作をするのかがいまいちよく分かっていません。(リセット動作なのか?それとも、ただ単に動作イネーブル/ディゼーブルなのか?)
果たしてリセットピンなのか怪しいところですが、ひとまずリセットピンだと想定しています。
・リセットスイッチ
上記リセット回路のENピンを強制的にLレベルにするスイッチです。
動作モードを切り替える際に必要となります。
・モード切り替えスイッチ
起動時にIO0の状態によって動作モードが変化しますので、スライドスイッチで状態を切り替えられるようにしています。
作った後で気づいたのですが、実際は必要なかったようです。
Arduino互換機の場合はこの回路がないと書き込みが失敗してしまうので今回も入れてみたのですが 、
ESP-WROOM-32の場合はモード切り替えSWによって動作モードを切り替えるので、Arduinoのように書き込み時にリセットをかける必要はないようです。
動作としてはシリアルのDTRピンを利用しており、書き込み時にDTRピンがLレベルになり、ENピンが一瞬Lレベルになるようになっています。
(5/20追記:トンチンカン回路なので無視してください。。)
USB-シリアル変換回路

USB-シリアル変換IC「FT231X」と周辺回路及びUSBコネクタで構成されています。
基本は電源コネクタからの5V入力で内部回路を動作させますが、「FT231X」はUSBホストからの5V供給で 動作するようにしています。
これによって電源回路の5V電源がオフの状態でも、USBホストと「FT231X」間は接続が維持できるようになります。(それほどメリットはないかもしれませんが。。)
また、ジャンパすることでUSBからの5Vを電源として使用できるようにもしています。
電源回路と同様に、ポリスイッチと保護ダイオードの保護回路を設けています。
インジケータとしてLEDをつけています。
- USBホストとの接続確認用LED(D3)
- TXD通信確認用LED(D6)
- RXD通信確認用LED (D5)
I/Oコネクタ

ESP-WROOM-32のI/Oを引き出すためのコネクタです。
1列20ピンのピンヘッダまたはピンソケットを2個使用します。
次 > 回路図の解説その2
前 > 回路図作成